- Как защитить тамбур от сквозняков и дождя на стыках обшивки?
При заказе перегрузочного тамбура ALUTECH DH с обшивкой профилированным листом или сэндвич-панелью в стандартный комплект поставки входят нащельники примыкания к стене, отливы по бокам площадки, уголки обрамления стыков крыши и стен. Эти элементы надежно защищают от сквозняков и осадков.

- Какой гарантийный срок герметизатора ALUTECH DSF?
Гарантийный срок герметизатора проема со складной рамой ALUTECH DSF составляет 2 года с момента передачи изделия заказчику или с даты изготовления, если дата передачи неизвестна.
Общий срок эксплуатации продукта не ограничен и зависит от условий использования.
Постоянный контроль качества на всех этапах изготовления — от закупки сырья и материалов до выходного мониторинга готовых изделий — позволяет выпускать продукцию стабильно высокого качества.
- Насколько глубоко аппарель уравнительной платформы ALUTECH TL должна размещаться в кузове транспортного средства?
Для безопасного движения по уравнительной платформе аппарель должна заходить в кузов транспортного средства на 80-100 мм и опираться на него по всей своей ширине.
Для удобства позиционирования по бокам выдвижной аппарели имеются специальные пазы, обозначающие минимальный требуемый заход в кузов.

Во избежание соскальзывания аппарели с кузова из-за отката транспортного средства рекомендуется использовать специальные упоры.
- Разрешено ли проводить погрузочно-разгрузочные работы при отключенном питании уравнительной платформы?
Проведение погрузочно-разгрузочных работ при отключенном питаниикатегорически запрещено. Отключение питания приводит к блокировке гидравлической системы, в результате чего платформа не подстраивается под перепады высоты кузова транспортного средства при проезде погрузчика. Весовые нагрузки при отключенном питании могут стать причиной поломки оборудования.

В случае внезапного прекращения подачи электроэнергии, а также после отключения питания платформы необходимо разблокировать гидравлическую систему вручную. Для этого нужно установить переключатель на блоке управления в положение «I» и нажать кнопку подъема платформы.

Проведение погрузочно-разгрузочных работ на уравнительной платформе в сложенном состоянии запрещено, так как это может привести к выходу оборудования из строя.

- В каких случаях рекомендуется установка тамбура не под прямым углом к зданию?

При проектировании перегрузочной рампы следует учитывать, что длина площадки, необходимая для маневра и парковки грузовика, должна быть в два раза больше длины грузовика с запасом в два метра. Большинство автопоездов с прицепом имеют ограничение по длине 18 м. Таким образом, для грузовика длиной 18 м необходимо предусмотреть свободное пространство перед рампой длиной 38 м.
В случае, когда данное пространство ограниченно, организовать рабочий процесс позволяет монтаж перегрузочного тамбура под углом.
- Как правильно подобрать герметизатор проема?
При подборе тентового герметизатора проема со складной рамой ALUTECH DSF следует:
- Убедиться, что проем для ворот меньше заказного размера герметизатора. Максимальные размеры проема должны быть меньше заказных размеров герметизатора по ширине минимум на 90 мм, по высоте — минимум на 45 мм.
- Учитывать наличие козырька или навесной крыши в месте монтажа. При неправильной парковке грузовика передняя часть рамы герметизатора складывается и приподнимается. Расстояние от крыши герметизатора до навеса должно составлять не менее 150 мм (для герметизатора с глубиной 600 мм).
- Сопоставить габариты транспортного средства с размерами проема. Примите во внимание, что оптимальный нахлест тентов на кузов автомобиля должен составлять 150-200 мм.
Более подробную информацию по подбору герметизатора проема и перегрузочного оборудования ALUTECH вы можете найти в каталоге технических решений.
- В чем различие уравнительных платформ с поворотной и выдвижной аппарелью?
Главное различие между уравнительными платформами ALUTECH серий SL и TL заключается в механизме выдвижения аппарели.
Платформы с поворотной аппарелью являются оптимальным решением, удовлетворяющим стандартным требованиям выполнения погрузочно-разгрузочных работ. Поворотная аппарель компенсирует расстояние между уровнем погрузочной рампы и кузовом грузовика. Однако поворотный механизм не позволяет регулировать расстояние, на которое аппарель заходит в кузов авто.

Платформы с телескопической аппарелью позволяют осуществить более точное позиционирование аппарели в кузове автомобиля за счет того, что уровень выдвижения регулируется непосредственно оператором.

Кроме того, в качестве дополнительной опции возможно укомплектовать платформы выдвижной аппарелью длиной 1000 мм (стандартно — 500 мм), что позволит осуществлять загрузку ж/д транспорта и грузовиков с боковой парковкой.
- Не протекают ли стыки между сэндвич-панелями на крыше тамбура?
Перегрузочный тамбур ALUTECH DH c обшивкой сэндвич-панелями обеспечивает отличную герметизацию и теплоизоляцию перегрузочного поста. Защищает персонал и технику от воздействия атмосферных осадков и других неблагоприятных погодных условий.
На крышу тамбура поверх сэндвич-панелей дополнительно устанавливается профилированный лист, что исключает попадание воды внутрь помещения в местах соединения панелей.

Также отвод осадков обеспечивают наклон крыши тамбура вперед на 5° и водосточный желоб в стандартной комплектации.
- Как защитить помещение и кузов автомобиля от попадания внутрь дождевой воды при погрузке-разгрузке?
Конструкция герметизатора проема ALUTECH DSF в стандартном исполнении обеспечивает эффективную защиту груза и персонала от неблагоприятных погодных условий:
- уклон верхнего перекрытия под углом 10° вперед предотвращает скапливание осадков;
- передние профили с выступающими желобами обеспечивают отвод воды по бокам конструкции.

- Существуют ли ограничения допустимой нагрузки на уравнительную платформу в зависимости от типа погрузочного средства?
Максимально допустимая нагрузка на уравнительные платформы ALUTECH серий SL и TL составляет 60 кН (6 тонн). При этом в ходе эксплуатации уравнительной платформы в местах движения колес погрузчика могут образовываться небольшие вмятины. Подобная деформация является допустимой в соответствии c предельными значениями, указанными в стандарте EN 1398, и не влияет на работоспособность изделия.
Однако использование погрузочных средств с колесами небольшого размера или из жесткого материала ведет к увеличению точечной нагрузки. Во избежание серьезной деформации уравнительной платформы следует придерживаться ограничений по допустимой нагрузке в зависимости от типа погрузчика.

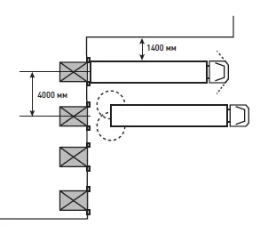
- Возможна ли установка нескольких перегрузочных тамбуров вплотную друг к другу?
Перегрузочные тамбуры можно установить вплотную друг к другу. Однако при одновременной парковке грузовиков к соседним постам такое решение может создать затруднения для персонала склада и перевозчика с открытием дверей кузова и кабины. Поэтому при проектировании рекомендуется предусмотреть расстояние между осями перегрузочных постов не менее 4000 мм. Это обеспечит беспрепятственное и комфортное открывание дверей кузова грузовика, а также дверей кабины для свободного доступа к ней водителя.

Более подробную информацию вы сможете найти в каталоге технических решений.
- Какой размер герметизатора лучше всего подойдет для обслуживания еврофуры?
Эффективность работы герметизатора проема зависит от того, насколько правильно подобраны его размеры, которые определяются, исходя из габаритов эксплуатируемых транспортных средств.
Для объектов, на которых обслуживаются только грузовики типа «еврофура», подходит герметизатор ALUTECH DSF со следующими характеристиками:
- высота — 3400 мм;
- ширина — 3400 мм;
- глубина — 600 мм;
- высота верхнего тента — 1000 мм;
- ширина боковых тентов — 600 мм.
Данное решение обеспечит герметизацию проема и эффективную защиту груза от неблагоприятных условий.
- Какая сталь используется для изготовления уравнительных платформ?
Для изготовления платформ используются горячекатаные листы из стали марки Ст3сп с чечевичным рифлением согласно ГОСТ 8568-77. Ст3сп — конструкционная углеродистая сталь, которая широко применяется в несущих элементах сварных и несварных конструкций и деталей.
По химическому составу и физико-механическим свойствам сталь Ст3сп аналогична стали с европейской маркировкой S235.
- Какое гидравлическое масло применяется в уравнительных платформах?
В базовой комплектации платформы поставляются с гидравлическим маслом Renolin B HVI ISO VG 22, которое рассчитано на использование при температуре окружающей среды до -15 °С. Для регионов с холодным климатом возможна заправка гидростанций низкотемпературным маслом Renolin MR 310 HVLPD 15, что позволяет эксплуатировать платформы при температуре воздуха до -40 °С.
Гидравлические масла Renolin производятся немецким концерном FUCHS и гарантируют безотказную работу оборудования в различных климатических условиях.
ГК «АЛЮТЕХ» поставляет оригинальные масла Renolin для сервисного обслуживания платформ. Также Вы можете приобрести необходимое масло у официальных дистрибьюторов концерна FUCHS.
- Что такое усиливающая тяга и зачем она нужна?
Усиливающая тяга является дополнительным элементом системы безопасности уравнительной платформы с поворотной аппарелью ALUTECH SL.
В случае несанкционированного отъезда транспортного средства, когда на платформе находится погрузчик, места креплений опорной балки и передняя часть приямка испытывают крайне высокие нагрузки. Усиливающая тяга соединяет опорную балку и заднюю часть платформы, за счет чего часть нагрузки переносится на заднюю стенку приямка.

Подобное решение обеспечивает сохранность конструкции платформы и сводит к минимуму риск разрушения приямка. Таким образом, конструкция платформы ALUTECH SL гарантирует максимальную безопасность даже в экстренных ситуациях.
Мы проконсультируем вас по любому вопросу о продукции «АЛЮТЕХ»







